bg大游平台

蜗轮丝杆升降机,升降器,螺旋升降机厂家
当前位置: > > > 螺旋升降器RNF055

产品中心 Product

推荐新闻Recommend

热门关键词Keywords

联系bg大游平台 Contact Us

东莞市bg大游平台机电科技有限公司

手 机:133-9237-0065

邮 箱:2850655356@qq.com

电 话:13392370065

网 址:www.nosen.cn

地 址:广东东莞市南城街道宏一路1号1栋2106室

螺旋升降器RNF055

  • 所属分类:重负载梯形丝杆升降机RNF系列
  • 浏览次数:238
  • 发布时间:2022-10-11 11:40:34
  • 产品概述
  • 技术参数
  • 安装方式
  • 杆端形式
  • 入力型式
  • 减速比
  • 行程
  • 硬护管
  • 软护管
  • 手摇轮
  • 选购配件
  • 外形尺寸

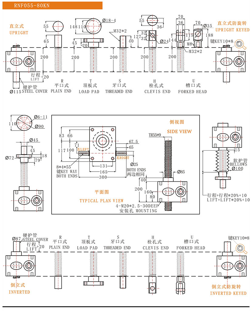
  结构:蜗轮蜗杆结构,欧洲通用规格,安全自锁;

  丝杆:梯形丝杆,直径16-120mm;

  螺杆端形式:顶板、栓孔、螺纹、插口等多种;

  静载荷:0.1KN到500KN;

  动载荷:单台 〈=500KN,重负荷可多台联动;

  减速比:快速比、慢速比;

  升降速度:6.25-25mm/s;

  行程:<=6000mm,负载与螺杆弯曲值计算匹配;<>

  输入功率:0.02-32KW;扭矩:0.123-203.73NM

  最大输入转数:1500RPM;

  噪音水平:<80db;<>

  环境温度:-20℃-+80℃;


       升降器运用范围

  1.机械传动主要运用于:

  2.机械加工上的冲压紧固装置升降台,翻转装置和试验仪器的平台升降;

  3.延压机辊轮的间隙调整,管材或板材运送位置的调整结构;

  4.塑胶机的薄膜厚度调整结构;

  5.安装维修用的爬梯、工具升降和汽车维修用的升降台;

  6.高温炉门的开启结构;

  7.塑料容器吹制机械的调整高度结构;

  8.铸造启模或混凝土造型;

  9.冶炼方面用于调整电极、热液体浇铸;

  10.建筑方面用于移动设备和组成的模板、可升降的窗户、墙壁、围墙;

  11.文化卫生方面用于升降舞台、可调整游泳池地面高度、调整手术台高度;

  12.水利方面用于水库闸门和保护板升降;

  13.科研方面用于不能用人力调整的动作。




技术参数

安装方式.jpg

杆端形式.jpg

入力型式.jpg

  1/9:入力轴输入1转,丝杆升降1mm

  1/36:入力轴输入1转,丝杆升降0.25mm


行程.jpg

硬护管.jpg

硬护管 (2).jpg

软护管

手摇轮.jpg

选购配件

外形尺寸.jpg

标签

本文网址:
上一篇: 2022-10-11
下一篇: 2022-10-11

相关产品

相关新闻