结构:蜗轮蜗杆结构,欧洲通用规格,安全自锁;
丝杆:梯形丝杆,直径16-120mm;
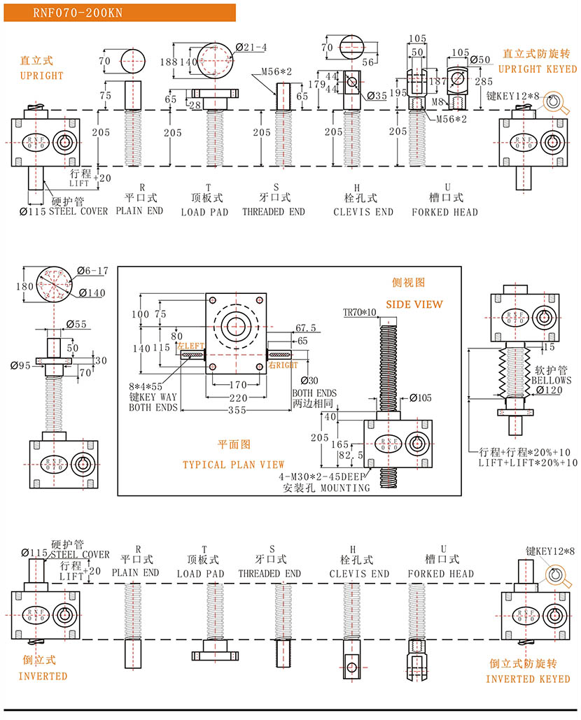
螺杆端形式:顶板、栓孔、螺纹、插口等多种;
静载荷:0.1KN到500KN;
动载荷:单台 〈=500KN,重负荷可多台联动;
减速比:快速比、慢速比;
升降速度:6.25-25mm/s;
行程:<=6000mm,负载与螺杆弯曲值计算匹配;<>
输入功率:0.02-32KW;扭矩:0.123-203.73NM
最大输入转数:1500RPM;
噪音水平:<80db;<>
环境温度:-20℃-+80℃;
升降器运用范围
1.机械传动主要运用于:
2.机械加工上的冲压紧固装置升降台,翻转装置和试验仪器的平台升降;
3.延压机辊轮的间隙调整,管材或板材运送位置的调整结构;
4.塑胶机的薄膜厚度调整结构;
5.安装维修用的爬梯、工具升降和汽车维修用的升降台;
6.高温炉门的开启结构;
7.塑料容器吹制机械的调整高度结构;
8.铸造启模或混凝土造型;
9.冶炼方面用于调整电极、热液体浇铸;
10.建筑方面用于移动设备和组成的模板、可升降的窗户、墙壁、围墙;
11.文化卫生方面用于升降舞台、可调整游泳池地面高度、调整手术台高度;
12.水利方面用于水库闸门和保护板升降;
13.科研方面用于不能用人力调整的动作。




1/10:入力轴输入1转,丝杆升降1mm
1/40:入力轴输入1转,丝杆升降0.25mm






