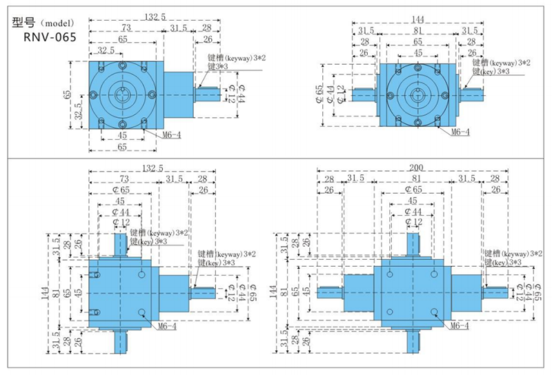
结构:螺旋伞齿轮90度组合,欧洲通用规格;
传动速比:1:1、2:1;
转速范围:10-1500RPM;
输入扭矩:5.8-1005NM;
输入功率:1.2-209HP;
轴匹配:一入力轴一出力轴、一入力轴三出力轴、一入力轴三出力轴;
转向:顺时针/逆时针,多种输入输出转向灵活安装;
噪音水平:<80db;传动效率95%;<>
环境温度:-20℃-+80℃;
RNV系列转向器,采用铸铁外壳,机身小巧,出入力轴经热处理,强度高,螺旋伞齿采用合金钢,承受扭矩大,安装简易及灵活方便。


速比:1/1, 1/2,其他速比可定做
